EN1092-1 PN40 Type 11 Welding Neck Flange

+ Free Shipping

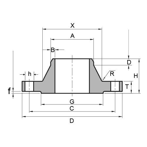
EN1092-1 PN40 Type 11 Welding Neck Flange Dimensions and Technical Drawing DOWNLOAD EN1092-1 PN40 Type 11 Welding Neck Flange Dimensions and Technical Drawing PDF Get Complete details of EN 1092-1 Flange Standard EN1092-1 PN40 Type 11 Welding Neck Flange Dimensions…

SKU: PG-23759 Category:

EN1092-1 PN40 Type 11 Welding Neck Flange Dimensions and Technical Drawing DOWNLOAD EN1092-1 PN40 Type 11 Welding Neck Flange Dimensions and Technical Drawing PDF Get Complete details of EN 1092-1 Flange Standard EN1092-1 PN40 Type 11 Welding Neck Flange Dimensions Dimensions and Weight Rated Diameter Flange Dimension Neck Size Raised Face Screws Parameter Weight Flange A C D T H X B R D G f h Thread Bolt holes KG/PCS 15 21,3 65 95 16 38 32 2,00 4 6 45 2 14 M12 4 0,768 20 26,9 75 105 18 40 40 2,30 4 6 58 2 14 M12 4 1,090 25 33,7 85 115 18 40 46 2,60 4 6 68 2 14 M12 4 1,300 32 42,4 100 140 18 42 56 2,60 6 6 78 2 18 M16 4 1,910 40 48,3 110 150 18 45 64 2,60 6 7 88 3 18 M16 4 2,150 50 60,3 125 165 20 48 75 2,90 6 8 102 3 18 M16 4 2,850 65 76,1 145 185 22 52 90 2,90 6 10 122 3 18 M16 8 3,680 80 88,9 160 200 24 58 105 3,20 8 12 138 3 18 M16 8 4,780 100 114,3 190 235 24 65 134 3,60 8 12 162 3 22 M20 8 6,460 125 139,7 220 270 26 68 162 4,00 8 12 188 3 26 M24 8 8,860 150 168,3 250 300 28 75 192 4,50 10 12 218 3 26 M24 8 11,700 200 219,1 320 375 34 88 244 6,30 10 16 285 3 30 M27 12 21,000 250 273,0 385 450 38 105 306 7,10 12 18 345 3 33 M30 12 34,200 300 323,9 450 515 42 115 362 8,00 12 18 410 4 33 M30 16 47,600 350 355,6 510 580 46…