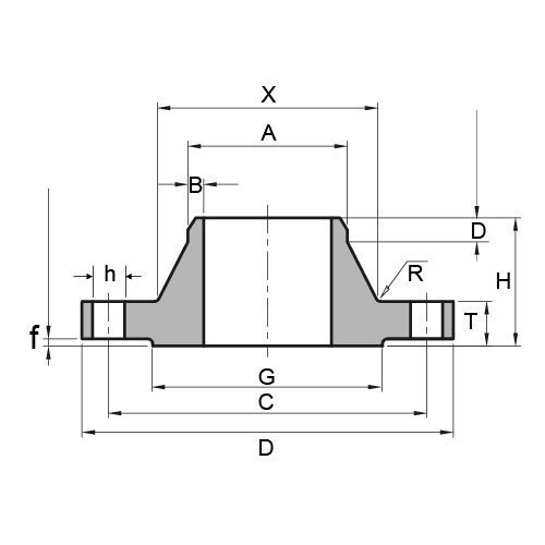
EN1092-1 PN25 Type 11 Welding Neck Flange Dimensions and Technical Drawing DOWNLOAD EN1092-1 PN25 Type 11 Welding Neck Flange Dimensions and Technical Drawing PDF Get Complete details of EN 1092-1 Flange Standard EN1092-1 PN25 Type 11 Welding Neck Flange Dimensions Dimensions and Weight Rated Diameter Flange Dimension Neck Size Raised Face Screws Parameter Weight Flange A C D T H X B R D G f h Thread Bolt holes KG/PCS 200 219,1 310 360 30 80 244 6,3 10 16 278 3 26 M24 12 17,100 250 273 370 425 32 88 298 7,1 12 18 335 3 30 M27 12 24,300 300 323,9 430 485 34 92 352 8,0 12 18 395 4 30 M27 16 31,800 350 355,6 490 555 38 100 398 8,0 12 20 450 4 33 M30 16 48,800 400 406,4 550 620 40 110 452 8,8 12 20 505 4 36 M33 16 63,300 450 457 600 670 46 110 500 8,8 12 20 550 4 36 M33 20 76,000 500 508 660 730 48 125 558 10,0 12 20 615 4 36 M33 20 97,000 600 610 770 845 48 125 660 11,0 12 20 720 5 39 M36 20 121,000 700 711 875 960 50 129 760 14,2 12 20 820 5 42 M39 24 155,000 800 813 990 1085 53 138 864 16,0 12 22 930 5 48 M45 24 205,000 900 914 1090 1185 57 148 968 17,5 12 24 1030 5 48 M45 28 249,000 1000 1016 1210 1320 63 160 1070 20,0 16 24 1140 5 56 M52 28 338,000 EN1092-1 PN25 Type 11 Welding Neck Flange Industries and Applications Widely used in the industries Pumps, Valves, and vessels in manufacturing and food processing. Pipe connections in industrial waterworks. Heat exchangers and heating systems of all sizes….
Flanges
EN1092-1 PN25 Type 11 Welding Neck Flange
+ Free ShippingEN1092-1 PN25 Type 11 Welding Neck Flange Dimensions and Technical Drawing DOWNLOAD EN1092-1 PN25 Type 11 Welding Neck Flange Dimensions and Technical Drawing PDF Get Complete details of EN 1092-1 Flange Standard EN1092-1 PN25 Type 11 Welding Neck Flange Dimensions…




