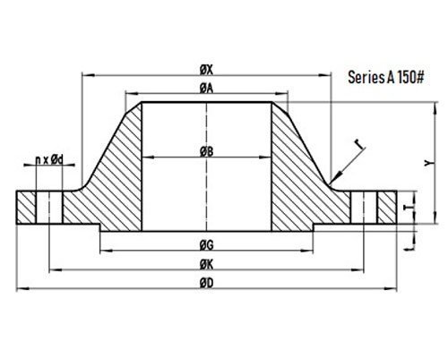
ASME B16.47 Series A Flanges Class 150 Dimensions and Technical Drawings ASME B16.47 Series A 150# Welding Neck Flange with RF ASME B16.47 Series A Class 150 Blind Flange with RF DOWNLOAD ASME B16.47 SERIES A FLANGES CLASS 150 DIMENSIONS AND TECHNICAL DRAWINGS PDF Get Complete details of ANSI/ASME B16.47 Standard Flange 150# B16.47 Series A Flanges Dimensions B16.47 Dimensions in MM NPS D K G X 26" 870 806.4 749 676 28" 925 863.6 800 727 30" 985 914.4 857 781 32" 1060 977.9 914 832 34" 1110 1028.7 965 883 36" 1170 1085.8 1022 933 38" 1240 1149.4 1073 991 40" 1290 1200.2 1124 1041 42" 1345 1257.3 1194 1092 44" 1405 1314.4 1245 1143 46" 1455 1365.2 1295 1197 48" 1510 1422.4 1359 1248 50" 1570 1479.6 1410 1302 52" 1625 1536.7 1461 1353 54" 1685 1593.8 1511 1403 56" 1745 1651.0 1575 1457 58" 1805 1708.2 1626 1508 60" 1855 1759.0 1676 1559 General Note: All dimensions are in MM. D: outside diameter of flange. K: diameter of bolt circle. G: diameter of raised face. X: diameter of hub of flange. NPS A TBL TWN Y 26" 660.4 66.7 66.7 119 28" 711.2 69.9 69.9 124 30" 762.0 73.1 73.1 135 32" 812.8 79.4 79.4 143 34" 863.6 81.0 81.0 148 36" 914.4 88.9 88.9 156 38" 965.2 85.8 85.8 156 40" 1016.0 88.9 88.9 162 42" 1066.8 95.3 95.3 170 44" 1117.6 100.1 100.1 176 46" 1168.4 101.6 101.6 184 48" 1219.2 106.4 106.4 191 50" 1270.0 109.6 109.6 202 52" 1320.8 114.3 114.3 208 54" 1371.6 119.1 119.1 214 56" 1422.4 122.3 122.3 227 58" 1473.2 127.0 127.0 233 60" 1524.0 130.2 130.2 238 General Note: All dimensions are in MM. A: Diameter of hub top of WN. TBL: minimum thickness of blind flange….
Flanges
ASME B16 47 Class 150 Series A Flange
+ Free ShippingASME B16.47 Series A Flanges Class 150 Dimensions and Technical Drawings ASME B16.47 Series A 150# Welding Neck Flange with RF ASME B16.47 Series A Class 150 Blind Flange with RF DOWNLOAD ASME B16.47 SERIES A FLANGES CLASS 150 DIMENSIONS…




