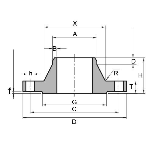
EN1092-1 PN6 Type 11 Welding Neck Flange Dimensions and Technical Drawing DOWNLOAD EN1092-1 PN6 Type 11 Welding Neck Flange Dimensions and Technical Drawing PDF Get Complete details of EN 1092-1 Flange Standard EN1092-1 PN6 Type 11 Welding Neck Flange Dimensions Dimensions and Weight Rated Diameter Flange Dimension Neck Size Raised Face Screws Parameter Weight Flange A C D T H X B R D G f h Thread Bolt holes KG/PCS 15 21,3 55 80 12 30 30 2,00 4 6 40 2 11 M10 4 0,408 20 26,9 65 90 14 32 38 2,30 4 6 50 2 11 M10 4 0,621 25 33,7 75 100 14 35 42 2,60 4 6 60 2 11 M10 4 0,762 32 42,4 90 120 14 35 55 2,60 6 6 70 2 14 M12 4 1,110 40 48,3 100 130 14 38 62 2,60 6 7 80 3 14 M12 4 1,260 50 60,3 110 140 14 38 74 2,90 6 8 90 3 14 M12 4 1,430 65 76,1 130 160 14 38 88 2,90 6 9 110 3 14 M12 4 1,770 80 88,9 150 190 16 42 102 3,20 8 10 128 3 18 M16 4 2,880 100 114,3 170 210 16 45 130 3,60 8 10 148 3 18 M16 4 3,410 125 139,7 200 240 18 48 155 4,00 8 10 178 3 18 M16 8 4,650 150 168,3 225 265 18 48 184 4,50 10 12 202 3 18 M16 8 5,500 200 219,1 280 320 20 55 236 6,30 10 15 258 3 18 M16 8 8,600 250 273,0 335 375 22 60 290 6,30 12 15 312 3 18 M16 12 11,700 300 323,9 395 440 22 62 342 7,10 12 15 365 4 22 M20 12 15,300 350 355,6 445 490 22…
Flanges
EN1092-1 PN6 Type 11 Welding Neck Flange
+ Free ShippingEN1092-1 PN6 Type 11 Welding Neck Flange Dimensions and Technical Drawing DOWNLOAD EN1092-1 PN6 Type 11 Welding Neck Flange Dimensions and Technical Drawing PDF Get Complete details of EN 1092-1 Flange Standard EN1092-1 PN6 Type 11 Welding Neck Flange Dimensions…




