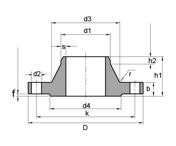
DIN 2632 PN10 Welding Neck Flange Dimensions, Technical Drawings, and Approx. Flange Weight DOWNLOAD DIN 2632 PN10 WELDING NECK FLANGE DIMENSIONS, TECHNICAL DRAWINGS, AND APPROX. FLANGE WEIGHT PDF Get Complete details of DIN Standard Flanges DIN 2632 PN10 Welding Neck Flange Dimensions Dimensions and Approx. Flange Weight Pipe Parameter d1 Flange Dimension Neck Size Hub Size Screw Approx. Flange Weight DN ISO DIN D b k h1 d3 s r h2 d4 f No. of Holes d2 KG/PCS 10 – 14 90 14 60 35 25 1.8 4 6 40 2 4 14 0.58 17.2 – 90 14 60 35 28 1.8 4 6 40 2 4 14 0.58 15 – 20 95 14 65 35 30 2 4 6 45 2 4 14 0.65 21.3 – 95 14 65 35 32 2 4 6 45 2 4 14 0.65 20 – 25 105 16 75 38 38 2.3 4 6 58 2 4 14 0.95 26.9 – 105 16 75 38 40 2.3 4 6 58 2 4 14 0.95 25 – 30 115 16 85 38 42 2.6 4 6 68 2 4 14 1.15 33.7 – 115 16 85 38 45 2.6 4 6 68 2 4 14 1.14 32 – 38 140 16 100 40 52 2.6 6 6 78 2 4 18 1.67 42.4 – 140 16 100 40 55 2.6 6 6 78 2 4 18 1.65 40 – 44.5 150 16 110 42 60 2.6 6 7 88 3 4 18 1.85 48.3 – 150 16 110 42 64 2.6 6 7 88 3 4 18 1.83 50 – 57 165 18 125 45 72 2.9 6 8 102 3 4 18 2.51 60.3 – 165 18 125 45 75 2.9 6 8 102 3 4 18 2.48 65 76.1 – 165 18…
Flanges
DIN 2632 PN10 Welding Neck Flange
+ Free ShippingDIN 2632 PN10 Welding Neck Flange Dimensions, Technical Drawings, and Approx. Flange Weight DOWNLOAD DIN 2632 PN10 WELDING NECK FLANGE DIMENSIONS, TECHNICAL DRAWINGS, AND APPROX. FLANGE WEIGHT PDF Get Complete details of DIN Standard Flanges DIN 2632 PN10 Welding Neck…




