ASME B16 47 Class 900 Series A Flange

+ Free Shipping

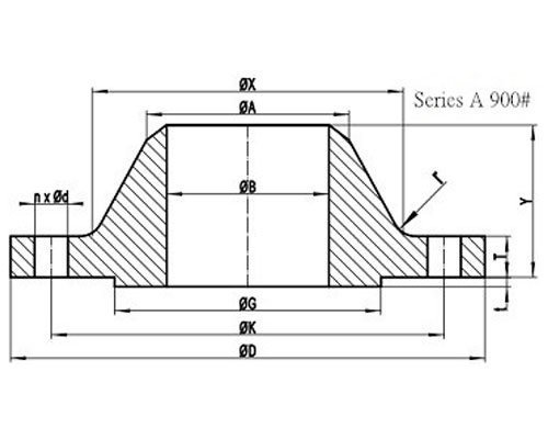
ASME B16.47 Series A Flanges Class 900 Dimensions and Technical Drawings ASME B16.47 Series A 900# Welding Neck Flange with RF ASME B16.47 Series A Class 900 Blind Flange with RF DOWNLOAD ASME B16.47 SERIES A FLANGES CLASS 900 DIMENSIONS…

SKU: PG-23389 Category:

ASME B16.47 Series A Flanges Class 900 Dimensions and Technical Drawings ASME B16.47 Series A 900# Welding Neck Flange with RF ASME B16.47 Series A Class 900 Blind Flange with RF DOWNLOAD ASME B16.47 SERIES A FLANGES CLASS 900 DIMENSIONS AND TECHNICAL DRAWINGS PDF Get Complete details of ANSI/ASME B16.47 Standard Flange 900# B16.47 Series A Flanges Dimensions B16.47 Dimensions in MM NPS D K G X 26" 1085 952.5 749 775 28" 1170 1022.4 800 832 30" 1230 1085.8 857 889 32" 1315 1155.7 914 946 34" 1395 1225.6 965 1006 36" 1460 1289.0 1022 1064 38" 1460 1289.0 1099 1073 40" 1510 1339.8 1162 1127 42" 1560 1390.6 1213 1176 44" 1650 1463.7 1270 1235 46" 1735 1536.7 1334 1292 48" 1785 1587.5 1384 1343 50" – – – – 52" – – – – 54" – – – – 56" – – – – 58" – – – – 60" – – – – General Note: All dimensions are in MM. D: outside diameter of flange. K: diameter of bolt circle. G: diameter of raised face. X: diameter of hub of flange. NPS A TBL TWN Y 26" 660.4 160.4 139.7 286 28" 711.2 171.5 142.9 298 30" 762.0 182.6 149.3 311 32" 812.8 193.7 158.8 330 34" 863.6 204.8 165.1 349 36" 914.4 214.4 171.5 362 38" 965.2 215.9 190.5 352 40" 1016.0 223.9 196.9 364 42" 1066.8 231.8 206.4 371 44" 1117.6 242.9 214.4 391 46" 1168.4 255.6 225.5 411 48" 1219.2 263.6 233.4 419 50" – – – – 52" – – – – 54" – – – – 56" – – – – 58" – – – – 60" – – – – General Note: All dimensions are in MM. A: Diameter of hub top of WN. TBL: minimum thickness of blind flange….