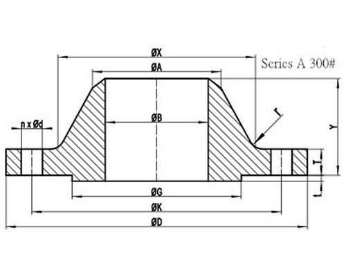
ASME B16.47 Series A Flanges Class 300 Dimensions and Technical Drawings ASME B16.47 Series A 300# Welding Neck Flange with RF ASME B16.47 Series A Class 300 Blind Flange with RF DOWNLOAD ASME B16.47 SERIES A FLANGES CLASS 300 DIMENSIONS AND TECHNICAL DRAWINGS PDF Get Complete details of ANSI/ASME B16.47 Standard Flange 300# B16.47 Series A Flanges Dimensions B16.47 Dimensions in MM NPS D K G X 26" 970 876.3 749 721 28" 1035 939.8 800 775 30" 1090 997.0 857 827 32" 1150 1054.1 914 881 34" 1205 1104.9 965 937 36" 1270 1168.4 1022 991 38" 1170 1092.2 1029 994 40" 1240 1155.7 1086 1048 42" 1290 1206.5 1137 1099 44" 1355 1263.6 1194 1149 46" 1415 1320.8 1245 1203 48" 1465 1371.6 1302 1254 50" 1530 1428.8 1359 1305 52" 1580 1479.6 1410 1356 54" 1660 1549.4 1467 1410 56" 1710 1600.2 1518 1464 58" 1760 1651.0 1575 1514 60" 1810 1701.8 1626 1565 General Note: All dimensions are in MM. D: outside diameter of flange. K: diameter of bolt circle. G: diameter of raised face. X: diameter of hub of flange. NPS A TBL TWN Y 26" 660.4 82.6 77.8 183 28" 711.2 88.9 84.2 195 30" 762.0 93.7 90.5 208 32" 812.8 98.5 96.9 221 34" 863.6 103.2 100.1 230 36" 914.4 109.6 103.2 240 38" 965.2 106.4 106.4 179 40" 1016.0 112.8 112.8 192 42" 1066.8 117.5 117.5 198 44" 1117.6 122.3 122.3 205 46" 1168.4 127.0 127.0 214 48" 1219.2 131.8 131.8 222 50" 1270.0 138.2 138.2 230 52" 1320.8 142.9 142.9 237 54" 1371.6 150.9 150.9 251 56" 1422.4 152.4 152.4 259 58" 1473.2 157.2 157.2 265 60" 1524.0 162.0 162.0 271 General Note: All dimensions are in MM. A: Diameter of hub top of WN. TBL: minimum thickness of blind flange….
Flanges
ASME B16 47 Class 300 Series A Flange
+ Free ShippingASME B16.47 Series A Flanges Class 300 Dimensions and Technical Drawings ASME B16.47 Series A 300# Welding Neck Flange with RF ASME B16.47 Series A Class 300 Blind Flange with RF DOWNLOAD ASME B16.47 SERIES A FLANGES CLASS 300 DIMENSIONS…




